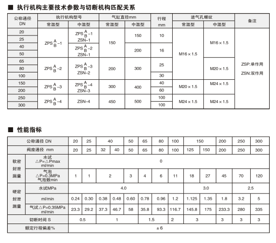
ZSPQ氣動切斷閥能參數
1、工作壓力:1.6Mpa-42.0Mpa;
2、工作溫度:-196+650℃;
3、驅動方式:手動、蝸輪、氣動、電動;
4、連接方式:內螺紋、外螺紋、法蘭、焊接、對焊、承插焊、卡套、卡箍;
ZSPQ氣動切斷閥采用軟密封結構,設計有工作密封和檢修密封,操作力矩小,密封比壓適中,密封可靠,動作靈敏,液動控制易于實現自動控制,使用壽命長,切斷氣動球閥廣泛使用于石油、化工、冶金、造紙、制藥、電鍍等行業。
氣動切斷閥性能參數:
1、工作壓力:1.6Mpa-42.0Mpa;
2、工作溫度:-196+650℃;
3、驅動方式:手動、蝸輪、氣動、電動;
4、連接方式:內螺紋、外螺紋、法蘭、焊接、對焊、承插焊、卡套、卡箍;
5、制造標準:國標GB、JB、HG,美標API、ANSI,英標BS,日本JIS、JPI等;
6、閥體材質:銅、鑄鐵、鑄鋼、碳鋼、WCB、WC6、WC9、20#、25#、鍛鋼、A105、F11、F22、不銹鋼、304、304L、316、316L、鉻鉬鋼、低溫鋼、鈦合金鋼等。
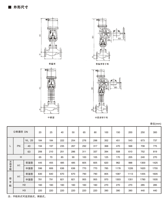
氣動切斷閥采用新型系列GT型、AT型氣動執行器,有雙作用式和單作用式(彈簧復位),齒輪齒條傳動,安全可靠;大口徑閥門采用系列AW型氣動執行器拔叉式傳動,結構合理,輸出扭矩大,有雙作用式和單作用式。
1、齒輪式雙活塞,輸出力矩大,體積小;
2、氣缸選用鋁金材料,重量輕、外形美觀;
3、可在頂部、底部安裝手動操作機構;
4、齒條式連接可調節開啟角度、額定流量;
5、執行器可選帶電訊號反饋指示及各類附件以實現自動化操作;
6、IS05211標準連接為產品的安裝更換提供了方便;
7、兩端調的節螺釘可使標準產品在0°和90°有±4°的可調范圍。確保與閥門的同步精度。


氣動切斷閥保養方法:
氣動切斷閥管線由于組合或安裝不當會產生各種應力,例如高溫介質產生的熱應力,安裝時緊固力不均衡造成的應力,人為的某些碰撞給氣動切斷閥及其管道造成的應力等。
這些應力作用在氣動切斷閥及其管線上,很容易對氣動切斷閥的性能產生影響,嚴重時會影響到調節系統本身,導致閥桿和導向件變形而不能和閥座對準中心;對于分體式閥體的氣動切斷閥,可能引起閥體法蘭的脫開;應力還可能引起閥座泄漏等。因此,任何時刻都要保證避免或消除應力,把應力導向遠離氣動切斷閥的地方。
對在爆炸性危險場所使用的氣動切斷閥和有關附件應檢查其安全運行情況,例如,密封蓋是否擰緊,安全柵的運行情況,電源供應情況等,保證氣動切斷閥及有關附件能夠安全運行。安裝氣動切斷閥的好位置是使閥桿的行程方向與閥體上方的執行機構在一個垂直平面上。
如果氣動切斷閥必須安裝在使閥桿水平移動的位置,或者閥桿的移動方向與水平面有一定的傾角時,就應該把執行機構支撐起來,使氣動切斷閥的各個部件都處于自然狀態。如果不加設支撐或者支撐加設不當都可能造成氣動切斷閥閥桿與閥座的不同心,容易導致差變或使填料泄漏等故障。即使氣動切斷閥有固定和支撐措施,也必須定期進行檢查,一般2~3個月檢查一次。
填料和注油器在短期使用后需要重新調整。塵土多的場合要在閥桿周圍用塑料套或橡膠套保護填料函和導向部位,有腐蝕性氣體或液滴存在的場合要采用特殊的保護措施,一般用防腐袋包住氣動切斷閥,但要注意不能影響它的操作。在有耐火性要求的場合,可以采用特殊耐火涂料、套防火袋等方法,防火袋的材料含有多層陶瓷纖維或玻璃纖維。
氣源是驅動氣動切斷閥的關鍵能源之一。氣動氣動切斷閥的膜室雖然不消耗空氣,但如果氣源系統含有水分、油污等雜質,則會使閥門定位器、繼動器等附件堵塞并發生故障。因此必須定期對氣源和電源進行檢查,保證氣源清潔、干燥,電源可靠。
氣動切斷閥應用專用的支架固定,防止松動,要保證整體的垂直位置或水平位置。如果遠距離運輸,一般用牢固的木箱裝運。
氣動切斷閥在組裝和油漆并按要求裝上執行機構、手輪、定位器等附件以后,為防止外來物質進入氣動切斷閥,連接氣動切斷閥的全部空氣接口都要堵上,連接法蘭裝上保護罩,要留意各個連接部位,例如閥門定位器進氣管、執行機構接口的狀態。易損壞的任何突出的附件,如注油器和電位器的壓力表,應從接頭上拆下,與氣動切斷閥分開包裝并一同運輸。












?公司郵箱登入
?
浙公網安備33032402002441號